ماكينة قولبة حقن عالية الدقة
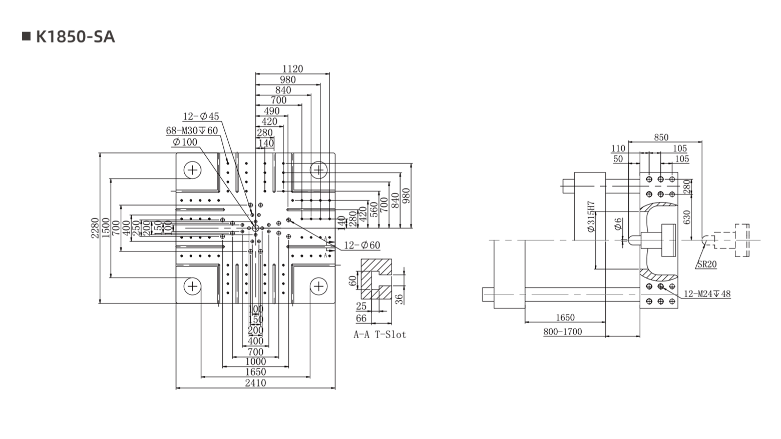
K1850-SA
PREV PRODUCT:No previous article
NEXT PRODUCT:K1500-SA
| وصف | وحدة | K1850-Sأ | ||||
| تصنيف الحجم الدولي | 22000 | |||||
| A | ب | ج | د | |||
| وحدة الحقن | قطر المسمار | مم | 140 | 150 | 160 | 170 |
| نسبة المسمار ل:D | 23.6 | 22 | 20.6 | 19.4 | ||
| حجم النار | سم3 | 11545 | 13254 | 15080 | 17024 | |
| وزن النار (PS) | ز | 10506 | 12061 | 13723 | 15492 | |
| أوقية | 370.6 | 425.4 | 484.1 | 546.5 | ||
| ضغط الحقن | حاجِز | 1913 | 1666 | 1464 | 1297 | |
| معدل الحقن | سم 3 / ثانية | 1525 | 1751 | 1992 | 2249 | |
| القدرة على التلدين | ز / ث | 191 | 225 | 241 | 258 | |
| السرعة القصوى | ص / دقيقة | 111 | ||||
| وحدة التثبيت | قوة لقط | كيلو نيوتن | 18500 | |||
| الفضاء بين قضبان التعادل | مم | 1650x1500 | ||||
| حجم الألواح | مم | 2410x2280 | ||||
| السكتة الدماغية الافتتاحية | مم | 1650 | ||||
| الحد الأدنى للارتفاع | مم | 800 | ||||
| أقصى ارتفاع للقالب | مم | 1700 | ||||
| المسافة بين الألواح (ضوء النهار) | مم | 3350 | ||||
| السكتة الدماغية القاذف | مم | 400 | ||||
| قوة القاذف | كيلو نيوتن | 430 | ||||
| عدد القاذف | 25 | |||||
| وحدة الطاقة | ضغط النظام | حاجِز | 175 | |||
| محرك المضخة | كيلوواط | 42 54 54 54 | ||||
| السعة الحرارية | كيلوواط | 100 | ||||
| عام | سعة خزان الزيت | L | 1500 | |||
| أبعاد الماكينة (LxWxH) | م * م * م | 15.6x4.6x5.2 | ||||
| وزن الآلة | ر | 130 | ||||
| قدرة هوبر | كجم | 400 | ||||
| لا | تكوين المكون | ماركة | مكان المنشأ | نطاق التكوين |
| 1 | مراقب | تايوان Techmation (AK628) طحن الألومنيوم 8 بوصة | تايوان | K110-230 |
| 2 | مراقب | تايوان Techmation (TECH1) طحن الألومنيوم 8 بوصة | تايوان | K270-460 |
| 3 | مراقب | تايوان Techmation (TECH2) طحن الألومنيوم مقاس 12 بوصة | تايوان | K530-800 |
| 4 | مضخة زيت سيرفو | الولايات المتحدة الأمريكية التكنولوجيا الفائقة | الولايات المتحدة الأمريكية | مجموعة كاملة |
| 5 | أجهزة السيارات | مرحلة | إيطاليا | مجموعة كاملة |
| 6 | محرك سيرفو | مرحلة | إيطاليا | مجموعة كاملة |
| 7 | طقم سيرفو | ألمانيا ريكسروث | ألمانيا | خياري |
| 8 | عكس صمام | اليابان يوكين | تايوان | مجموعة كاملة |
| 9 | عكس صمام | الولايات المتحدة الأمريكية فيكرز | الولايات المتحدة الأمريكية | خياري |
| 10 | محرك بلاستيكي مسبق | داندون | الصين | مجموعة كاملة |
| 11 | محرك تعديل القالب | داندون | الصين | مجموعة كاملة |
| 12 | عنصر الختم | يو خالليت | بريطانيا | مجموعة كاملة |
| 13 | نظام تشحيم | هيرج | الصين | مجموعة كاملة |
| 14 | قاطع دائرة | كهرباء شنايدر | فرنسا | مجموعة كاملة |
| 15 | مفتاح التكييف | كهرباء شنايدر | فرنسا | مجموعة كاملة |
| 16 | مسطرة الكترونية | بوني | الولايات المتحدة الأمريكية | مجموعة كاملة |
| 17 | مسطرة الكترونية | نوفوتيك | ألمانيا | خياري |
| 18 | تتابع الحالة الصلبة | فوتيك | تايوان | مجموعة كاملة |
| 19 | تبديل السفر | كهرباء شنايدر | فرنسا | مجموعة كاملة |
| 20 | تحويلة تقريبية | فوتيك | تايوان | مجموعة كاملة |
| 21 | برميل المسمار | تونغدا | الصين | النطاق الكامل |
مصنع عالي المستوى
Ningbo KSM Machinery Manufacturing Co.,Ltd. هي شركة تعاون مع التقنيات الإيطالية المتخصصة في البلاستيك عالي الجودة في إنتاج آلة صب البلاستيك عالية الجودة. تقع شركتنا في منطقة Ningbo Beilun Xing Ao الصناعية. لدينا عدد من موظفي البحث والتطوير ونتعاون مع مجموعة من شركات التكنولوجيا الفائقة. كمحترف الصين K1850-SA-ماكينة قولبة حقن عالية الدقة الموردين و OEM/ODM K1850-SA-ماكينة قولبة حقن عالية الدقة شركة، إنها تنتج بشكل أساسي آلات قولبة بالحقن عالية الدقة مع نطاق قوة تثبيت من 110T إلى 1850T. تتميز المنتجات بهيكل عالي الصلابة وعناصر هيدروليكية وكهربائية مستوردة، ومسمار مستعمل مع رأس خلط من أجل الحصول على أداء تلدين ممتاز وتكون مناسبة لمختلف قوالب حقن البلاستيك الهندسية ويتوفر طلب خاص للعملاء. منذ تأسيسها، أولت دائمًا اهتمامًا بسمعة المؤسسة، ونفذت تصميمات علمية وإدارية بتصميمات عقلانية، وتقع على عاتق خدمات ما قبل البيع والبيع وما بعد البيع عالية الجودة لكسب ثقة وموافقة عدد كبير من المستخدمين. نحن نلتزم بشعار "الصدق، الاستمرار في التحسين، التركيز على الجودة، عدم الاسترخاء أبدًا في الجهد". نرحب ترحيبا حارا بالأصدقاء من جميع أنحاء العالم للحصول على التوجيه. تمتلك الشركة مركزًا للبحث والتطوير يتمتع بقوة تطوير قوية. وفي الوقت نفسه، تتعاون مع الجامعات والكليات المحلية لتطوير وبحث معدات إنتاج الحقن والبلاستيك وآلة قولبة الحقن. تمتلك الشركة معدات اختبار خرطوم متقدمة ومعدات تجريبية. في السنوات الأخيرة، حقق مركز البحث والتطوير العديد من الإنجازات في آلات قولبة الحقن والمعدات البلاستيكية، وعملية الفلكنة المطاطية وتطوير الصياغة. ندعو بإخلاص العملاء في الداخل والخارج لزيارة مصنعنا، ونتطلع إلى شركتك طويلة الأجل لخلق غد جميل لك!
لماذا أخترتنا
لدينا مختبر الاختبار الخاص بنا ومعدات الفحص المتقدمة والكاملة، والتي يمكن أن تضمن جودة المنتجات التي تنتجها معداتنا.
لدينا القدرة الإنتاجية السنوية أكثر من 500 مجموعة آلة صب الحقن.
نحن نركز على تطوير منتجات عالية الجودة للأسواق الراقية. تتوافق منتجاتنا مع المعايير الدولية، ويتم تصديرها بشكل رئيسي إلى أوروبا وأمريكا واليابان ووجهات أخرى حول العالم.
نحن على بعد 15 كيلومترا فقط من ميناء نينغبو، وهو مريح للغاية وفعال لشحن البضائع إلى أي دولة أخرى.
ضمان الجودة العالية بفضل خبرتنا
تتميز الجودة الأصلية والموثوقة بشكل طبيعي ولا تخشى أي مقارنة.
تزويدك بأحدث أخبار المؤسسات والصناعة
1. المفهوم الأساسي للقوالب متعددة التجاويف تشير القوالب متعددة التجاويف إلى وضع تجاويف متعددة ...
1. نظام هجين زيتي كهربائي عالي الكفاءة ال آلة حقن الزيت الكهربائية عالية السرعة يستخدم ...
تطبيق نظام تبريد الزيت في ماكينة قولبة حقن البلاستيك كطريقة تبريد فعالة، يتم استخدام نظا...
ماكينات قولبة حقن البلاستيك تلعب دورا حيويا في الصناعة الحديثة. يمكنهم إنتاج مجموعة متنوعة ...
ماكينات قولبة حقن البلاستيك تلعب دورا حيويا في الصناعة الحديثة. يمكنهم إنتاج مجموعة متنوعة ...
تعتبر نسبة إعادة التدفق معلمة مهمة في عملية صب حقن البلاستيك، خاصة أنها تلعب دورًا رئيسيًا في تشغيل...